Materials Testing Sample Prep Methods
The field of material testing is an important aspect of various industries, including engineering, manufacturing, and research. Accurate testing of materials is essential to ensure that they meet the required quality standards and can perform their intended functions safely and effectively. One crucial step in material testing is sample preparation. The preparation of materials for testing requires careful consideration of the specific properties of the material, the desired test results, and the testing equipment and methodology.
Kemet Micrologue is a comprehensive resource that includes numerous case studies detailing various material testing preparation methods and the results obtained through the application of these methods. These case studies represent the conclusions of an extensive and intensive work conducted at the Application Lab. The research team at the lab has explored a range of sample preparation techniques, including cutting, grinding, polishing, and etching. These techniques are utilised to prepare samples of materials such as metals, ceramics, polymers, and composites for a variety of testing methods, including microhardness, microstructure analysis, and surface analysis.
The case studies presented in Kemet Micrologue describe the different techniques used for sample preparation, their advantages and limitations, and the impact of sample preparation on the accuracy and reliability of test results. The studies also provide insights into the effects of various factors on sample preparation, such as the type of material, the size and shape of the sample, the desired test results, and the equipment and consumables used.
PLEASE NOTE: ETCHING REAGENTS CURRENTLY NOT AVAILABLE FROM KEMET
Disclaimer: Material Testing Preparation techniques are for guidance purposes only. Kemet recommend these should be tested on non-critical samples first and offer free trials to help establish the optimum process using Kemet equipment and consumables.
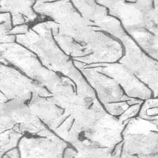
Material: 3343 High Speed Steel
Results: Standard high-speed steel grade.The steel has fine and uniform carbide, high toughness and good thermoplastic. High toughness and good cutting power owing to its well-balanced alloy composition, making it suitable for a wide variety of applications. DIN 1.3343 Alloy Steel can make all sorts of general cutters, large and thermoplastic forming cutters and making wear resistance parts under high load, such as cold extrusion die etc.
The microstructure consists of undissolved excess carbides in a matrix of martensite. These carbides are probably the types M6C (where M is either molybdenum or tungsten) and vanadium carbide (VC).
Etching: 2% Nital solution
Cutting: TRENO-M cut off wheel
Mounting: ECOPRESS 102 Mounting Press with Epoxy (600811)
Mechanical Preparation: Forcipol 102 Grinding / Polishing Machine + FORCIMAT Automatic Specimen Mover
| Parameter / Stage | Surface | Abrasive | Lubricant | Force per Sample, (N) | Time min. | Disc Speed, rpm | Head Speed, rpm |
|---|---|---|---|---|---|---|---|
| Grinding Step 1 | Diamond Grinding Disc | 76μ Diamond | Water | 30 | 2 | 300 CCW | 100 CW |
| Final Grinding | Diamond Grinding Disc | 15μ Diamond | Water | 35 | 4 | 300 CCW | 100 CW |
| Polishing Step 1 | MBL | AquaPol M 3μ | W9 | 30 | 4 | 150 CCW | 50 CW |
| Polishing Step 2 | NFC | AquaPol M 1μ | W9 | 20 | 2 | 150 CCW | 50 CW |
| Final Polishing | CHEM-H Pad | COL-K(NC) | Colloidal Silica | 15 | 2 | 150 CCW | 50 CW |
Magnification: 200X

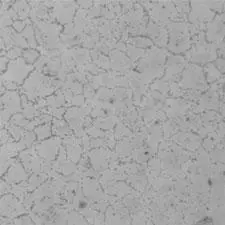
Material: 20MnCr5 Case hardening steel
Results: The main application areas of 20MnCr5, Gear wheels, driveline components, shafts, pins... which are required for high hardness surface and good toughness resistance. The hardened surface can be obtained according to microstructure image.
Etching: 2% Nital solution
Cutting: TRENO-M cut off wheel.
Mounting: ECOPRESS 102 Automatic Mounting Press with Epoxy (600811)
Mechanical Preparation: Forcipol 102 grinding and polishing system.
| Parameter / Stage | Surface | Abrasive | Lubricant | Force per Sample, (N) | Time min. | Disc Speed, rpm | Head Speed, rpm |
|---|---|---|---|---|---|---|---|
| Grinding Step 1 | Diamond Grinding Disc | 76μ Diamond | Water | 20 | 1 | 250 CCW | 75 CW |
| Final Grinding | Diamond Grinding Disc | 15μ Diamond | Water | 30 | 3 | 300 CCW | 100 CW |
| Polishing Step 1 | MBL | AquaPol M 3μ | W9 | 25 | 4 | 150 CCW | 50 CW |
| Polishing Step 2 | NFC | AquaPol M 1μ | W9 | 15 | 2 | 150 CCW | 50 CW |
| Final Polishing | NSH-B | AquaPol M 0.25μ | W9 | 15 | 1 | 150 CCW | 50 CW |
Magnification: 100X

Material: AISI 1050 Steel
Results: According to microstructre analysis; pearlite (dark island) and ferrite (light backround) phases can be detected easily.
Etching: 2% Nital solution
Cutting: TRENO-M abrasive wheel
Mounting: ECOPRESS 102 Mounting Press with Epoxy (600811)
Mechanical Preparation: Forcipol 102 grinding and polishing system.
| Parameter / Stage | Surface | Abrasive | Lubricant | Force per Sample, (N) | Time min. | Disc Speed, rpm | Head Speed, rpm |
|---|---|---|---|---|---|---|---|
| Grinding Step 1 | Diamond Grinding Disc | 76µ Diamond | Water | 25 | 1 | 300 CCW | 100 CW |
| Final Grinding | Diamond Grinding Disc | 15µ Diamond | Water | 30 | 2 | 300 CCW | 100 CW |
| Polishing Step 1 | MRE | AquaPol M 6µ | W9 | 30 | 2 | 300 CCW | 75 CW |
| Polishing Step 2 | MBL | AquaPol M 3µ | W9 | 30 | 2 | 300 CCW | 75 CW |
| Final Polishing | NFC | AquaPol M 1µ | W9 | 25 | 2 | 250 CCW | 50 CW |
Magnification: 100X

Material: BRASS (CuZn39Pb3)
Results: Brasses are alloys of Copper and Zinc. They may also contain small amounts of other alloying elements to impart advantageous properties. Brasses have high corrosion resistance and high tensile strength. They are also suited to fabrication by hot forging.
Brass alloy CW614N is used for machining. It has Lead added to the composition to improve machinability.
The microstructure of the leaded brasses contain discrete lead particles primarily in the grain boundaries or inter-dendritic regions.The Lead remains insoluble in the microstructure of the brass and the soft particles act as chip breakers. Light areas are α phase Dark areas are β phase
Etching: 10% Nitric Acid Solution
Cutting: TRENO-NF cut off wheel.
Mounting: ECOPRESS 102 Mounting Press with Epoxy (600811)
Mechanical Preparation: Forcipol 202 Grinding / Polishing Machine.
| Parameter / Stage | Surface | Abrasive | Lubricant | Force per Sample, (N) | Time min. | Disc Speed, rpm | Head Speed, rpm |
|---|---|---|---|---|---|---|---|
| Grinding Step 1 | Met Disc | 600 Grit | Water | 25 | 1 min. or until flat | 200 CCW | 100 CCW |
| Grinding Step 2 | Met Disc | 1200 Grit | Water | 25 | 2 | 200 CCW | 100 CCW |
| Final Grinding. | Met Disc | 2000 Grit | Water | 30 | 2 | 250 CCW | 100 CCW |
| Polishing Step 1 | MBL | AquaPol M 3μ | W9 | 20 | 3 | 200 CW | 100 CCW |
| Final Polishing | CHEM-H Pad | COL-K(NC) | Colloidal Silica | 20 | 2 | 200 CW | 50 CCW |
Magnification: 200X

Material: Cast Iron (GG30 Lamellar)
Results: Lamellar graphite cast iron has good corrosion and abrasion resistance, lubricating effect of graphite lamellae and metal forming ability. Not suitable for thermal treatment to harden. The main application field is the production of piston rings. According to microstructre analysis; Lamellar graphite phase can be observed easily.
Etching: 2% Nital solution
Cutting: TRENO-M cut off wheel.
Mounting: ECOPRESS 102 Automatic Mounting Press with Epoxy (600811)
Mechanical Preparation: Forcipol 102 grinding nad polishing system.
| Parameter / Stage | Surface | Abrasive | Lubricant | Force per Sample, (N) | Time min. | Disc Speed, rpm | Head Speed, rpm |
|---|---|---|---|---|---|---|---|
| Grinding Step 1 | Met Disc | 240 Grit | Water | 20 | 1 min. or until flat | 250 CCW | 75 CW |
| Grinding Step 2 | Met Disc | 600 Grit | Water | 25 | 2 | 250 CCW | 100 CW |
| Final Grinding | Met Disc | 1200 Grit | Water | 25 | 2 | 250 CCW | 100 CW |
| Polishing Step 1 | MBL | AquaPol M 3μ | W9 | 25 | 2 | 200 CCW | 75 CW |
| Final Polishing | NFC | Alumina Suspension No.1 | Water | 20 | 2 | 200 CCW | 50 CW |
Magnification: 100X

Material: Silver
Cutting: TRENO HP cut off wheel.
Mounting: ECOPRESS 102 Automatic Mounting Press with Epoxy (600811)
Mechanical Preparation: Forcipol 202 Grinding / Polishing Machine + FORCIMAT Automatic Specimen Mover.
| Parameter / Stage | Surface | Abrasive | Lubricant | Force per Sample, (N) | Time min. | Disc Speed, rpm | Head Speed, rpm |
|---|---|---|---|---|---|---|---|
| Grinding Step 1 | Met Disc | 320 Grit | Water | 20 | 1 min. or until flat | 250 CW | 100 CW |
| Grinding Step 2 | Met Disc | 600 Grit | Water | 25 | 2 | 250 CW | 100 CW |
| Final Grinding | Met Disc | 1200 Grit | Water | 20 | 2 | 250 CW | 100 CW |
| Polishing Step 1 | MRE | AquaPol M 6μ | W9 | 25 | 3 | 150 CCW | 75 CW |
| Final Polishing | NFC | AquaPol M 1μ | W9 | 20 | 2 | 150 CCW | 50 CW |
Magnification: 500X

Material: Ti Grade 2
Etching: Kroll's solution
Cutting: TRENO-HP cut off wheel.
Mounting: ECOPRESS 102 Mounting Press with Phenolic Carbon Conductive Resin (600176)
Mechanical Preparation: Forcipol 202 Grinding / Polishing Machine + FORCIMAT Automatic Specimen Mover.
| Parameter / Stage | Surface | Abrasive | Lubricant | Force per Sample, (N) | Time min. | Disc Speed, rpm | Head Speed, rpm |
|---|---|---|---|---|---|---|---|
| Grinding Step 1 | Met Disc | 240 Grit | Water | 10 | 2 min. or until flat | 250 CW | 100 CW |
| Grinding Step 2 | Met Disc | 600 Grit | Water | 10 | 2 | 250 CW | 100 CW |
| Grinding Step 3 | Met Disc | 1200 Grit | Water | 10 | 2 | 250 CW | 100 CW |
| Final Grinding | Met Disc | 2500 Grit | Water | 10 | 3 | 250 CW | 100 CW |
| Polishing Step 1 | MBL | AquaPol M 3μ | W9 | 35 | 5 | 150 CW | 75 CCW |
| Final Polishing | CHEM-H Pad | COL-K(NC) | Colloidal Silica | 35 | 10 | 100 CW | 50 CCW |
Magnification: 200X

Material: Ti6Al4V
Etching: Kroll's solution
Cutting: TRENO-HP cut off wheel.
Mounting: ECOPRESS 102 Automatic Mounting Press with Phenolic Carbon Conductive Resin (600176)
Mechanical Preparation: Forcipol 202 + FORCIMAT Automatic Specimen Mover.
| Parameter / Stage | Surface | Abrasive | Lubricant | Force per Sample, (N) | Time min. | Disc Speed, rpm | Head Speed, rpm |
|---|---|---|---|---|---|---|---|
| Grinding Step 1 | Met Disc | 240 Grit | Water | 10 | until flat | 250 CW | 100 CCW |
| Grinding Step 2 | Met Disc | 600 Grit | Water | 10 | 2 | 250 CW | 100 CCW |
| Grinding Step 3 | Met Disc | 1200 Grit | Water | 10 | 2 | 250 CW | 100 CCW |
| Final Grinding | Met Disc | 2500 Grit | Water | 10 | 2 | 250 CW | 100 CCW |
| Polishing Step 1 | MBL | AquaPol M 3μ | W9 | 35 | 5 | 150 CW | 75 CCW |
| Final Polishing | CHEM-H Pad | COL-K(NC) | Colloidal Silica | 35 | 5 | 100 CW | 50 CCW |
Magnification: 1000X

Material: Ti6Al7Nb
Etching: Kroll's solution
Cutting: TRENO-HP cut-off wheel.
Mounting: ECOPRESS 102 Automatic Mounting Press with Phenolic Carbon Conductive Resin (600176)
Mechanical Preparation: Forcipol 202 grinding and polishing system.
| Parameter / Stage | Surface | Abrasive | Lubricant | Force per Sample, (N) | Time min. | Disc Speed, rpm | Head Speed, rpm |
|---|---|---|---|---|---|---|---|
| Grinding Step 1 | Met Disc | 240 Grit | Water | 10 | until flat | 250 CW | 100 CCW |
| Grinding Step 2 | Met Disc | 600 Grit | Water | 10 | 2 | 250 CW | 100 CCW |
| Grinding Step 3 | Met Disc | 1200 Grit | Water | 10 | 2 | 250 CW | 100 CCW |
| Final Grinding | Met Disc | 2500 Grit | Water | 10 | 2 | 250 CW | 100 CCW |
| Polishing Step 1 | MBL | AquaPol M 3μ | W9 | 35 | 5 | 150 CW | 75 CCW |
| Final Polishing | CHEM-H Pad | COL-K(NC) | Colloidal Silica | 35 | 5 | 100 CW | 50 CCW |
Magnification: 500X

Material: Wood
Cutting: Diamond cut-off wheels
Mounting: Cold mounting with KEPT Epoxy Resin and Hardener Kit
Mechanical Preparation: Forcipol 202 grinding and polishing system.

| Parameter / Stage | Surface | Abrasive | Lubricant | Force per Sample, (N) | Time min. | Disc Speed, rpm | Head Speed, rpm |
|---|---|---|---|---|---|---|---|
| Grinding Step 1 | Met Disc | 320 Grit | Water | 20 | until flat | 250 CW | 100 CW |
| Grinding Step 2 | Met Disc | 600 Grit | Water | 20 | 1 | 250 CW | 100 CW |
| Grinding Step 3 | Met Disc | 1200 Grit | Water | 20 | 1 | 250 CW | 100 CW |
| Final Grinding | Met Disc | 2500 Grit | Water | 20 | 2 | 250 CW | 100 CW |
| Polishing Step 1 | MBL | AquaPol M 3μ | W9 | 30 | 5 | 150 CW | 75 CCW |
| Final Polishing | CHEM-H Pad | COL-K(NC) | Colloidal Silica | 20 | 2 | 100 CW | 50 CCW |
Magnification: 200X

Material: Zircon
Mounting: ECOPRESS 102 Mounting Press with Acrylic (600810)
Mechanical Preparation: Forcipol 202 Grinding / Polishing Machine + FORCIMAT Automatic Specimen Mover.
| Parameter / Stage | Surface | Abrasive | Lubricant | Force per Sample, (N) | Time min. | Disc Speed, rpm | Head Speed, rpm |
|---|---|---|---|---|---|---|---|
| Grinding Step 1 | Met Disc | 600 Grit | Water | 10 | until flat | 200 CCW | 100 CW |
| Grinding Step 2 | Met Disc | 1000 Grit | Water | 10 | 2 | 200 CCW | 100 CW |
| Grinding Step 3 | Met Disc | 2000 Grit | Water | 10 | 2 | 200 CCW | 100 CW |
| Final Grinding | Met Disc | 4000 Grit | Water | 10 | 2 | 200 CCW | 100 CW |
| Polishing Step 1 | MBL | AquaPol M 3μ | W9 | 20 | 2 | 150 CCW | 50 CW |
| Final Polishing | ASR | AquaPol M 1μ | W9 | 20 | 2 | 150 CCW | 50 CW |
Magnification: 100X

Material: AlSi8Cu3Fe
Cutting: TRENO-NF cut off wheel.
Mounting: ECOPRESS 102 Automatic Mounting Press with Epoxy (600811)
Mechanical Preparation: Forcipol 102 grinding and polishing system.
| Parameter / Stage | Surface | Abrasive | Lubricant | Force per Sample, (N) | Time min. | Disc Speed, rpm | Head Speed, rpm |
|---|---|---|---|---|---|---|---|
| Grinding Step 1 | Met Disc | 400 Grit | Water | 10 | Until Flat | 250 CW | 100 CW |
| Grinding Step 2 | Met Disc | 800 Grit | Water | 10 | 2 | 250 CW | 100 CW |
| Grinding Step 3 | Met Disc | 1200 Grit | Water | 10 | 2 | 250 CW | 100 CW |
| Final Grinding | Met Disc | 2500 Grit | Water | 10 | 3 | 250 CW | 100 CW |
| Polishing Step 1 | MRE | AquaPol M 6µ | W9 | 20 | 4 | 150 CW | 75 CCW |
| Final Polishing | NFC | AquaPol M 1µ | W9 | 20 | 2 | 150 CW | 50 CCW |
Magnification: 200X
